

LPG-天然氣U型過濾器
LPG-天然氣U型過濾器屬于管道過濾器系列,安裝在管道上能除去流體中的較大固體雜質,使機器設備、儀表能正常工作和運轉,達到穩定工藝過程,保障安全生產的作用。天然氣U型過濾器適用于化工、食品、飲料、水處理行業進行粗精過濾大道綠色產品標準。我公司所生產的天然氣U型過濾器能根據客戶具體要求定制各種過濾器。
| 產品名稱: | 天然氣U型過濾器 | 產品型號: | LPG |
| 公稱通徑: | DN15~DN200 | 結構形式: | U型 |
| 工作壓力: | 1.6MPa~2.5MPa | 連接方式: | 法蘭 |
| 適用溫度: | -29ºC~+350ºC | 功能作用: | 過濾管道中的雜質 |
| 閥體材質: | 鑄鋼、不銹鋼 | 制造標準: | 國標GB、德國DIN、美國API、ANSI |
| 適用介質: | 水、油品、蒸汽、液體、氣體等 | 生產廠家: | 上海凱利科閥門有限公司 |
| 公稱壓力PN(MPa) | 工作溫度℃ | 濾網目數 | 適用介質 |
| 1.6 | 350 | 20~150 | 蒸汽、空氣、水、油、 |
| 2.5 | 350 |
| 零件名稱 | 材料 |
| 閥體 | 碳鋼、不銹鋼 |
| 濾網蓋 | 碳鋼、不銹鋼 |
| 濾芯網 | 不銹鋼 |
| 墊片 | 柔性石墨 |
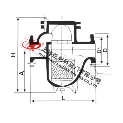
| DN | L | A | H | D | D1 | N-n | 一般網目數 | 特殊網目數 |
工作壓力 MPa |
|
|
JB78-59 JB79-59 |
GB2555-81 | |||||||||
| 10 | 150 | 80 | 125 | 90 | 90 | 60 | 4~14 |
3.9/mm (100目) |
2.4/mm 60目 |
1.6 |
| 15 | 150 | 80 | 125 | 95 | 95 | 65 | ||||
| 20 | 180 | 100 | 153 | 105 | 105 | 75 |
2.4/mm 60目 |
1.6/mm 40目 |
||
| 25 | 180 | 100 | 153 | 115 | 115 | 85 | ||||
| 40 | 300 | 155 | 304 | 145 | 150 | 110 | 4~18 | |||
| 50 | 300 | 155 | 304 | 160 | 165 | 125 | ||||
| 65 | 340 | 220 | 380 | 180 | 185 | 145 | ||||
| 80 | 400 | 250 | 420 | 195 | 200 | 160 | 8~18 |
1.6/mm 40目 |
0.8/mm 20目 |
|
| 100 | 500 | 295 | 502 | 215 | 220 | 180 | ||||
| 150 | 600 | 335 | 650 | 280 | 285 | 240 | 8~23 | |||
| 200 | 786 | 395 | 770 | 335 | 340 | 295 | 12~23 | |||
| 10 | 165 | 77 | 127 | 100 | 100 | 70 | 4~14 |
3.9/mm 100目 |
2.4/mm 60目 |
6.4 |
| 15 | 165 | 79 | 131 | 105 | 105 | 75 | ||||
| 20 | 200 | 91 | 154 | 125 | 130 | 90 | 4~18 |
2.4/mm 60目 |
1.6/mm 40目 |
|
| 25 | 210 | 96 | 159 | 135 | 140 | 100 | ||||
| 40 | 320 | 155 | 308 | 165 | 170 | 125 |
4~23 8~23 |
|||
| 50 | 320 | 155 | 310 | 175 | 180 | 135 |
6.4 4.0 |
|||
| 80 | 420 | 250 | 430 | 210 | 215 | 170 |
1.6/mm 40目 |
0.8/mm 20目 |
||
| 100 | 525 | 295 | 510 | 250 | 250 | 200 | 8~25 | |||
| 150 | 600 | 335 | 650 | 300 | 300 | 250 | 8~26 | 2.5 | ||
| 200 | 786 | 395 | 780 | 360 | 360 | 310 | 12~26 | |||
聲明:【LPG-天然氣U型過濾器】規格型號、結構尺寸由上海凱利科閥門有限公司提供,如何選擇適用的LPG-天然氣U型過濾器產品,使之在工藝控制中安全可靠、經濟適用,可致電我司銷售部門及技術部門,我們將在最短的時間內為您解答! |