【結構圖片】

【結構說明】
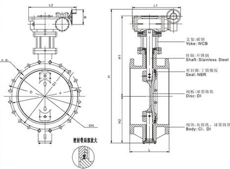
上海凱利科為您提供D343X雙偏心蝶閥結構圖,本結構圖希望對您有所幫助。
1、D343X雙偏心蝶閥結構設計的主要依據國家相關標準規定設計。
2、D343X雙偏心蝶閥所采用的通用做法和標準構件圖集。
3、如有特殊D343X雙偏心蝶閥構件需作結構性能檢驗時,應指出檢驗的方法與要求。
4、D343X雙偏心蝶閥主要根據剖面、長度、高度、外形等作出說明。
5、D343X雙偏心蝶閥所選用結構材料的品種、規格、性能及相應的產品標準。
【結構總結】
D343X雙偏心蝶閥結構主要是給安裝單位提供具有更好的了解該D343X雙偏心蝶閥的外形結構、使用時考慮到工況、環境等因數在應用中有著更合理的計劃規范,不會在安裝時產生空間使用不合理等常見問題。本結構圖所屬上海凱利科閥門有限公司提供,并提供相關外形尺寸,在應用中可以作為參考。