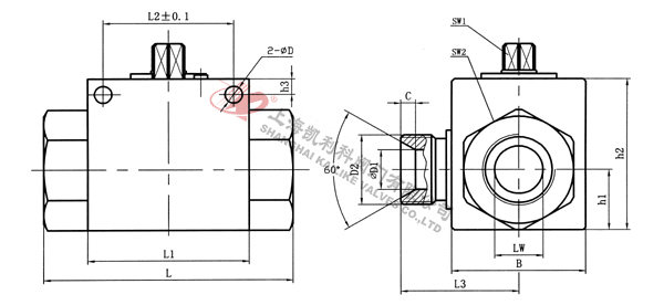
【結構圖片】

【結構說明】
上海凱利科為您提供VH3V二位三通高壓球閥結構圖,本結構圖希望對您有所幫助。
1、VH3V二位三通高壓球閥結構設計的主要依據國家相關標準規定設計。
2、VH3V二位三通高壓球閥所采用的通用做法和標準構件圖集。
3、如有特殊VH3V二位三通高壓球閥構件需作結構性能檢驗時,應指出檢驗的方法與要求。
4、VH3V二位三通高壓球閥主要根據剖面、長度、高度、外形等作出說明。
5、VH3V二位三通高壓球閥所選用結構材料的品種、規格、性能及相應的產品標準。
【結構總結】
VH3V二位三通高壓球閥結構主要是給安裝單位提供具有更好的了解該VH3V二位三通高壓球閥的外形結構、使用時考慮到工況、環境等因數在應用中有著更合理的計劃規范,不會在安裝時產生空間使用不合理等常見問題。本結構圖所屬上海凱利科閥門有限公司提供,并提供相關外形尺寸,在應用中可以作為參考。